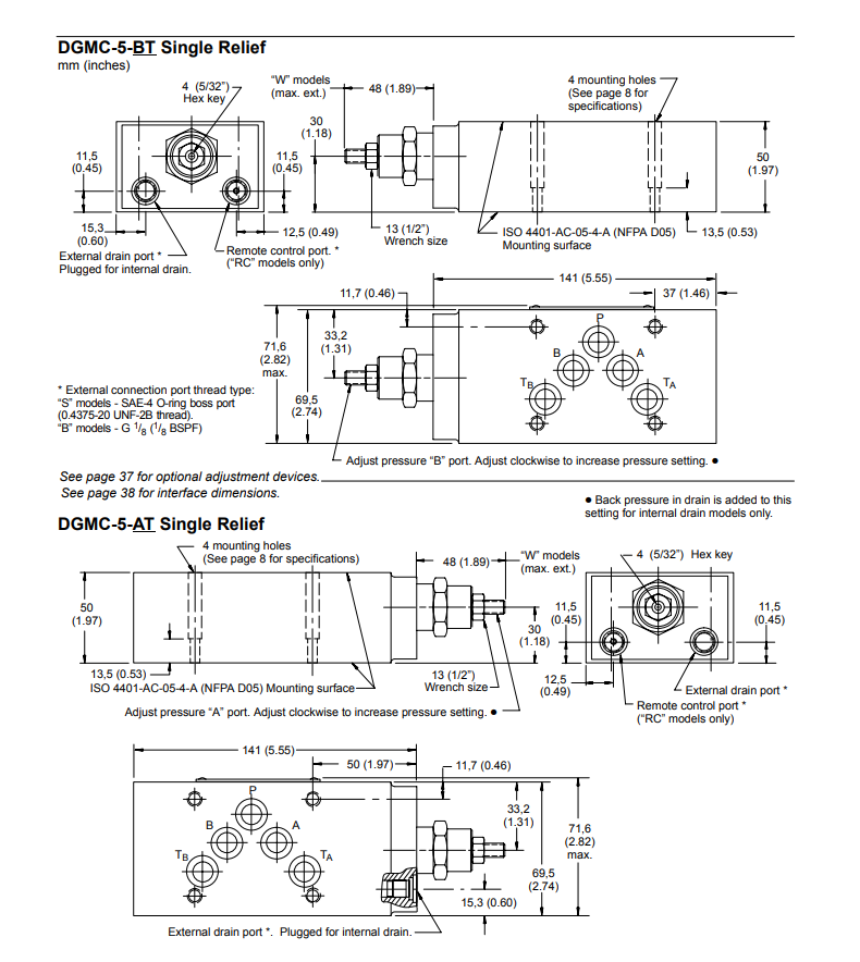
إيتون فيكرز DGMC DGMC2 صمامات تخفيف التشغيل التجريبية DGMC-3-PT-BW-41D DGMC2-3-AB-BWBABW-41
صمام تخفيف DGMC صمام تنفيس مزدوج DGMC2 فحص مباشر DGMDC فحص تشغيل تجريبي DGMPC التحكم في التدفق DGMFN موازنة DGMR القاعدة العامة لهذه المجموعة هي وضع صمام تنفيس DGMC بالقرب من اللوحة الفرعية أو المشعب. يجب وضع صمام الفحص المباشر DGMDC بالقرب من صمام التحكم الاتجاهي. يجب أن يكون صمام تسلسل DGMR1 هو الأبعد صمام من صمام الاتجاه. يجب تركيب DGMR1 مباشرة على لوحة فرعية أو مشعب مزود بمنفذ تصريف، لتصريف DGMR1 خارجيًا عند وجه التثبيت.

نحن نورد مكونات الشركات المصنعة الرائدة مثل Bosch Rexroth وRexroth
إندرامات، باركر هانيفين، موغ، إيتون فيكرز، دينيسون، هاوي، سنفاب، يوكن، هيداك، كاواساكي/كيه بي إم، ستافا، فويث، سوير دانفوس، هيدرو ليدوك، كالزوني، أتوس، بوشر، أويلجير، طوكيو كيكي، شنايدر كروزناتش، ليندي، مارزوتشي، إيكرلي، إتش بي إم، سيمنز، شنايدر إلكترونيك، سيك، بومر، هيرون، نورجرين، أفنتيكس .....
لا تتردد في الاستفسار لنا من فضلك إذا كنت مهتما بمبيعاتنا. بايلي الهيدروليكية هو لطيف الخاص بك
شريك في الموارد الهيدروليكية والإلكترونية. مزيد من التفاصيل، يرجى زيارتنا
R
| إيتون فيكرز DGMC DGMC2 صمامات تخفيف التشغيل التجريبية |






|
|
DG4V-3-0AMUA6-60 DG4V.3-0AM-UED6-60 DG4V3-0AMUG7-60 DG4V3-0A-MU-H 7-60 DG4V-3-0B-MUA6-60 DG4V-30BMUED6-60 DG4V30B-MUG7-60 DG4V-30B-MU-H 7-60 DG4V30CMU-A6-60 DG4V-3-0CMUED6-60DG4V3-0CM-UG7-60 DG4V30CMU-H7-60 DG4V{{ 48}}AMUA6-60 DG4V-3-2AM-UED6-60 DG4V-3-2A-MU-G7-60 DG4V3-2A-MUH{{ 63}} DG4V-3-2B-MU-A6-60 DG4V-3-2BMU-ED6-60 DG4V-3-2B-MUG760 DG4V-3-2B- MUH760 DG4V3-2CMU-A6-60 DG4V-3-2CMUED6-60 DG4V-3-2CMUG7-60 DG4V3-2C-MU-H 7-60 DG4V3-2N-MUA6-60 DG4V3-2NM-UED6-60 DG4V3-2N-MUG760 DG4V3-2N- MU-H7-60 DG4V36CM-UA6-60 DG4V-3-6C-MUED6-60 DG4V3-6CM-UG7-60 DG4V-36 CMU-H7-60 DG4V3-8CVMUA6-61 DG4V3-8CVMUED6-61 DG4V3-8CVMUG7-61 DG4V-3-8 CVMUH761
DGMC-3-PT-BW-41DGMC-3-PT-CW-41 DGMC-3-PT-GW-41
DGMC-3-ATGW-41
DGMC2-3-AB-BWBABW-41 DGMC2-3-AB-CWBACW-41 DGMC2-3-AB-GWBA-GW-41
DGMC23-AT-CWBT-CW-4 DGMA-3-B-10
DGMA-3-C1-10
DGMA-3-C210
DGAM-3-01-10R
DGMDC٪7b٪7b0٪7d٪7dYPK٪7b٪7b1٪7d٪7d
DGMDC-3-XTK-4
DGMPC-3-ABK-41
DGMPC-3باك-40
DGMPC-3-ABK-BAK-41
DGMFN-3-ZPTW-41
DGMFN-3-ZP2W-41
DGMFN-3-ZT1W-41
DGMFN-3-XA2W-41
DGMFN-3-X-AWB1W-41
DGMFN-3-X-A2WB2W-41
DGMFN-3-YATWB1W-41
DGMFN-3-YA2W-B2W-41
DGMX2-3-PA-BW-B-40DGMX2-3-PAFW-B-40
DGMX2-3-PB-CWB-40
DGMX2-3-PPAWB-40 DGMX2-3-PPBWB-40 DGMX2-3-PPCWB-40 DGMX2-3-PPFWB-40
الوسم : إيتون فيكرز DGMC DGMC2 صمامات تخفيف التشغيل التجريبية DGMC-3-PT-BW-41D DGMC2-3-AB-BWBAW-41















